Texas Instruments UCC12050EVM-022 Evaluation Module
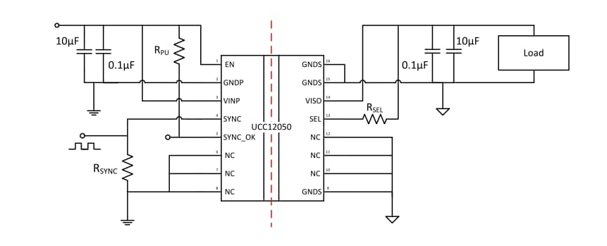
Texas Instruments UCC12050EVM-022 Evaluation Module allows designers to evaluate the performance characteristics and abilities of the UCC12050DVE. The UCC12050DVE is a high isolation voltage DC/DC converter designed to provide efficient isolated power to isolated circuits requiring well-regulated supply voltages. The Texas Instruments UCC12050EVM-022 Evaluation Module test functions of the UCC12050DVE include enable/disable, synchronizing the device with an external clock source, detecting external clock faults, and selecting between the available output voltages.Features
- Easily validate all available output voltage selections
- Test points for accurate ripple and transient response waveforms
- EVM layout provides an example of proper board layout for rated isolation and EMI performance
- High efficiency, isolated power transfer of up to 500mW
- The design is tested and provides all the options to validate the UCC12050, including an easy-to-follow User's Guide
Typical Application Circuit
Layout
Yayınlandı: 2019-10-18
| Güncellenmiş: 2024-01-05
