Texas Instruments UCC33421/-Q1 DC/DC Modules

Texas Instruments UCC33421/-Q1 DC/DC Modules offer integrated transformer technology that delivers 1.5W of isolated output power. The UCC33421/-Q1 supports an input voltage operation range of 4.5V to 5.5V and regulates a 5.0V output voltage with a selectable headroom of 5.5V. The DC/DC Modules feature a proprietary transformer architecture that provides a 5kVRMS isolation rating while simultaneously supporting low EMI and superior load regulation. The UCC33421/-Q1 integrates protection features to enhance system robustness, including an enable pin with fault reporting, short-circuit protection, and thermal shutdown.

The UCC33421/-Q1 is available in a miniaturized, low-profile SSOP (5.85mm x 7.50mm) package with a height of 2.65mm and >8.2mm clearance and creepage.

The TI UCC33421-Q1 is AEC-Q100 qualified for automotive applications.

Features

  • 1.5W maximum output power
  • 4.5V to 5.5V input voltage operation range
  • 5.0V, 5.5V regulated selectable output voltage
    • 5.0V: 300mA available load current
  • 0.5% typical load regulation
  • 4mV/V typical line regulation
  • Robust isolation barrier:
    • 5KVRMS isolation rating
    • 10.4kVPK surge capability
    • 1700VPK working voltage
    • ±8KV IEC 61000-4-2 contact discharge protection across the isolation barrier
    • 250V/ns common mode transient immunity
  • Power-dense isolated DC/DC module with integrated transformer technology
  • Adaptive spread spectrum modulation (SSM)
  • Meets CISPR-25 Class 5 emission
  • Strong magnetic fields immunity
  • Overload and short circuit protection
  • Thermal shutdown
  • Low inrush current soft-start
  • Enable pin with a fault reporting mechanism
  • AEC-Q100 qualified with the following results:
    • Device temperature Grade 1: -40°C to +125°C ambient operating temperature
  • Functional Safety-Capable
    • Documentation available to aid functional safety system design
  • SSOP-1 6 (5.85mm x 7.50mm) package
  • >8.2mm clearance and creepage

Applications

  • Traction inverters
  • HEV/EV OBC and DC/DC converter
  • Battery-Management Systems (BMS)
  • Smart Meter
  • Bias power for isolated measurements
  • Bias power for an isolated signal chain
  • ESS
  • Solar Inverter

Simplified Application

Application Circuit Diagram - Texas Instruments UCC33421/-Q1 DC/DC Modules

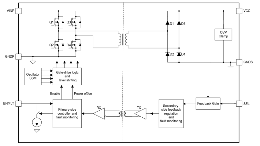
Functional Block Diagram

Block Diagram - Texas Instruments UCC33421/-Q1 DC/DC Modules
Yayınlandı: 2026-02-10 | Güncellenmiş: 2026-03-12