Toshiba TB67H452FTG H-bridge Motor Driver
Toshiba TB67H452FTG H-bridge Motor Driver is a PWM chopper type 4-channel H-bridge motor driver IC structured by CD (CMOS and DMOS) process. This motor driver can drive two steppers, two DC brushed motors, and one stepping motor by combining 4-channel H bridges. The TB67H452FTG motor driver can also drive dual DC brushed motors or stepping motors for large-current drive by setting large mode. This IC incorporates a VCC regulator for internal circuit operation and eliminates the need for an external 5V power supply. The TB67H452FTG motor driver is optimal for battery-powered applications with a power supply of 6.3V or more.
Features
- Single-chip brushed DC motor driver for up to 4 motors
- Single-chip bipolar stepping motor driver for up to 2 motors
- Monolithic IC structured by CD process
- Over-current detection (ISD), thermal shutdown (TSD), and VM power-on reset circuits
- Incorporates a VCC regulator for internal circuit operation
Specifications
- 0.6Ω on-resistance
- 0.3Ω on-resistance in large mode
- 40V maximum output withstand voltage
- 3.5A output current in DC motor mode
- 100KHz high-speed chopping possible
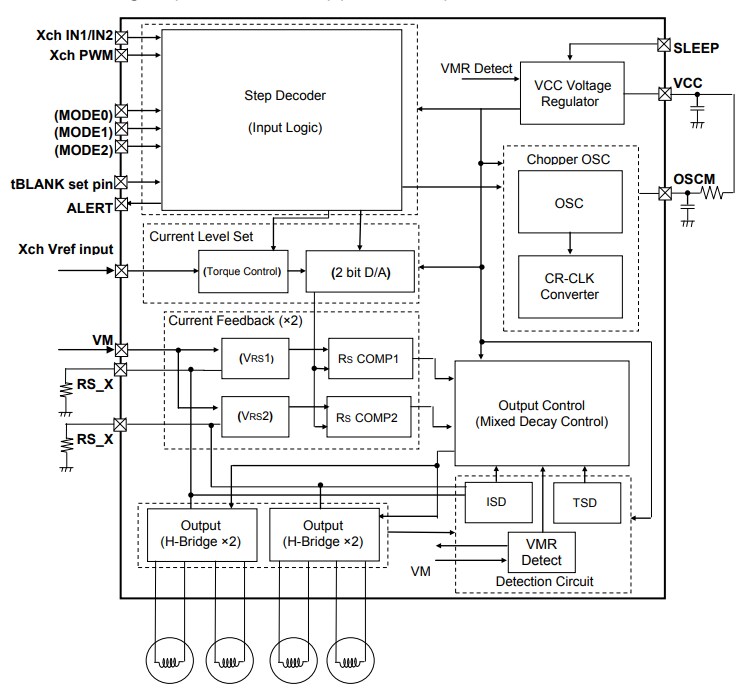
Block Diagram
Yayınlandı: 2018-04-23
| Güncellenmiş: 2025-12-05
