Toshiba TC78H653FTG Dual Bridge Driver IC
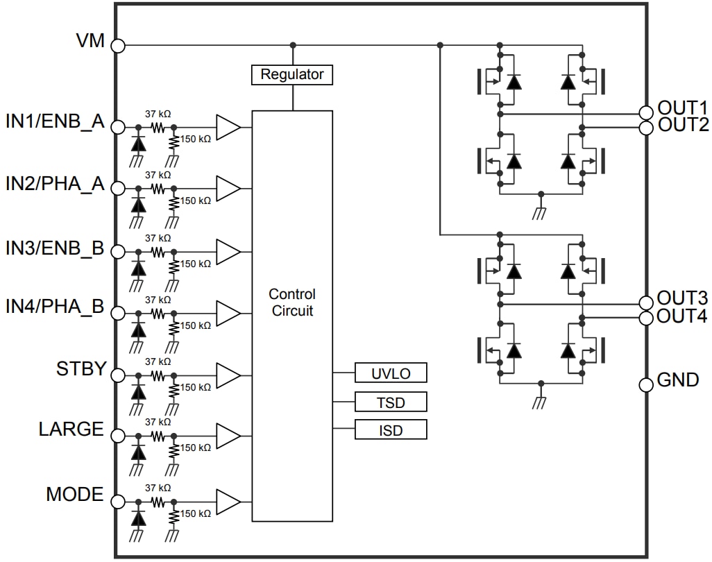
Toshiba TC78H653FTG Dual Bridge Driver IC is designed for DC motors/stepping motors that incorporate DMOS with low ON resistance in output transistors. Forward, reverse, stop, or brake modes can be selected. Overcurrent detection, thermal shutdown, and under-voltage lockout functions are implemented. This bridge driver features a power supply voltage operating range of 1.8V to 7.0V with peak output current ratings of 2.0A (maximum) in minor mode and 4.0A (maximum) in large mode.
Features
- 8.0V maximum power supply voltage
- 1.8V to 7.0V operating power supply voltage range
- Output current ratings (DC)
- 4.0A maximum in Large mode
- 2.0A maximum in Small mode
- Output current ratings (peak)
- 5.0A maximum at 10ms or less in Large mode
- 2.5A maximum at 10ms or less in Small mode
- Output ON resistance
- 0.11Ω typical (Ta = 25°C, sum of upper and lower side, VM = 5.0V, Large mode)
- 0.22Ω typical (Ta = 25°C, sum of upper and lower side, VM = 5.0V, Small mode)
- Built-in standby function with 0μA typical consumption current
- Built-in cross-conduction protection circuit
- Built-in over-current detection (ISD), thermal shutdown (TSD), and under-voltage lockout (UVLO)
- Forward / Reverse / Stop / Brake modes are selectable
- P-VQFN16-0303-0.50-001 (3.0mm x 3.0mm) package
Applications
- DC motor drivers
- Stepping motor drivers
Block Diagram
Yayınlandı: 2018-11-09
| Güncellenmiş: 2025-12-05
