Toshiba EVB-TCKE805NA Evaluation Board
Toshiba EVB-TCKE805NA Evaluation Board is a platform for evaluating the performance of the TCKE8xx series. The TCKE8xx eFuse ICs integrate a comprehensive range of high-speed, resettable, and low on-resistance (RON) circuit protection functions in a single compact 3mm x 3mm WSON10B package. The Toshiba EVB-TCKE805NA Evaluation Board features mounted passive components required to operate the IC, allowing easy operation check and characterization.Features
- 4.4V to 18V input voltage range
- 0.5A to 5.0A adjustable output limit current range
- 6.04V OVC
- Active high enable control
- Auto retry return operation
- Auto discharge
- 46mm x 66mm glass epoxy
Layout
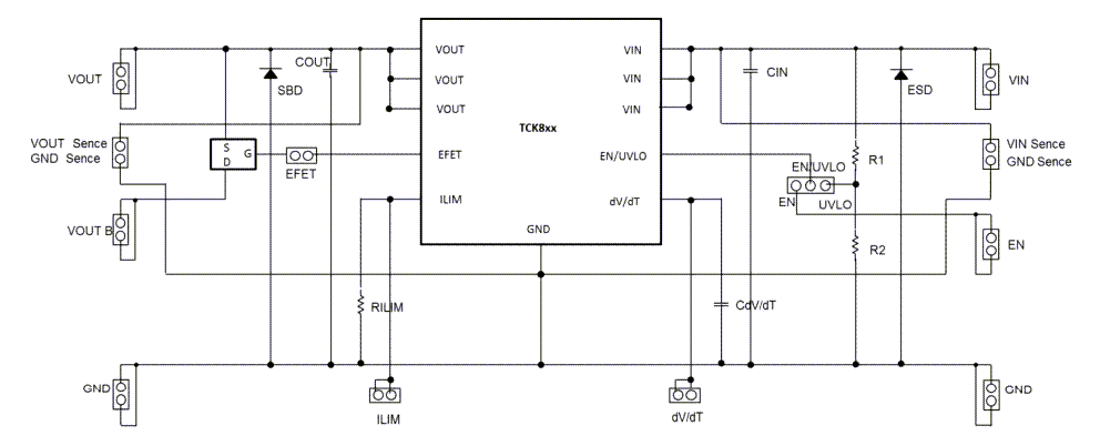
Schematic
Yayınlandı: 2023-10-24
| Güncellenmiş: 2023-10-30
