WeEn Semiconductors BYQ60W-600PT2 Ultrafast Power Diode
WeEn Semiconductors BYQ60W-600PT2 Ultrafast Power Diode is designed to provide fast switching and soft reverse recovery characteristics. This power diode incorporates low forward voltage drop and low leakage current. The BYQ60W-600PT2 diode is capable of reducing switching losses in associated MOSFETs or IGBTs. This ultrafast power diode is available in a TO247-2L plastic package with a high operating temperature capability (Tj (max) = 175°C). Typical applications include UPS, EV chargers, welding machines, and air conditioners.Features
- Fast switching and soft reverse recovery characteristics
- Low forward voltage drop
- Low leakage current
- Low reverse recovery current
- Reduces switching losses in associated MOSFET or IGBT
- High operating temperature capability (Tj (max) = 175°C)
Applications
- UPS
- EV chargers
- Welding machines
- Air conditioners
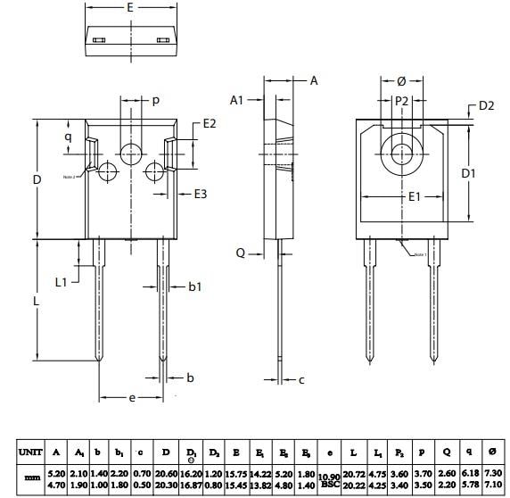
Mechanical Drawing
Yayınlandı: 2021-02-18
| Güncellenmiş: 2022-03-11
